应该血栓成分影响血管内治疗的选择?
文摘
血管内治疗已成为一个有前途的替代患者静脉溶栓或者资格已经失败了。更多知识的复合血栓栓塞材料潜在的中风患者的血管阻塞可能提供的手段改善现有的血管内治疗方法和发展新的治疗策略。本文的目的是提供一个评估的临床和组织学实验动物研究,检索的thromboemboli成像相关,超微结构在急性缺血性中风。
术语表
- 术语表
- 出口信贷机构=
- 欧洲合作急性中风的研究;
- HMCAS=
- 高密度的大脑中动脉的迹象;
- IA=
- 动脉内的;
- ICA=
- 颈内动脉;
- MCA=
- 大脑中动脉;
- 先生=
- 核磁共振;
- 加拿大皇家银行=
- 红细胞;
- rtPA=
- 重组组织纤溶酶原激活物;
- 扫描电镜=
- 扫描电子显微镜;
- TIMI=
- 溶栓在心肌缺血
大约80%的急性缺血性中风是由于颅内动脉阻塞。1,2再灌注是治疗急性缺血性中风的主流,因为它似乎是最有益的所有急性缺血性中风的治疗策略。3,- - - - - -,5溶栓的主要缺陷之一是有关抗酶促降解由于过度交联内成熟栓塞血栓和栓子由胆固醇、钙、或其他动脉粥样硬化病变的瓦砾。6血管内治疗动脉内的(IA)溶栓和血栓切除术也因此成为一个有前途的替代患者没有得到静脉溶栓或为谁失败了;然而,它在很大程度上是未知的选择特定的血管内治疗方法是否应该考虑凝块组成,这可能根据来源不同,闭塞的地方,再灌注时间,和其他个别患者因素。
Torvik和约根森7“最近”的进行后期分析遮挡在1960年代,当时定义为1.5个月。由于neuroendovascular技术的进步和发展机械栓子切除术设备,新鲜血栓今天可以快速检索与急性缺血性中风患者。谢谢猎犬系统(同心医疗、山景,CA)一直是最广泛的研究设备消除闭塞的脑动脉内血栓的影响。8,- - - - - -,10新兴知识血栓栓塞材料的成分从急性缺血性中风患者可能提供检索的方式改进现有再灌注策略和开发新的治疗方法。11
血栓成分研究
光学显微镜分析。
2006年,马德尔et al。12公布结果的第一系统的组织学分析thromboemboli从近端,大颅内脑动脉急性缺血性中风患者。凝块与谢谢猎犬系统得到从25例(15人,9女人;平均年龄56.9岁)。治疗开始后8小时内出现症状或超过8小时(意思是,6.2小时)如果不匹配,可挽回的模糊的暗示,是出现在成像。血管再灌注后血栓切除术与常规血管造影评估使用修改后的溶栓在心肌缺血(TIMI)规模。9,13
他们的数据没有显示相关的血栓组织学与中风病因,因为每个血栓被发现有类似的单个组件。吐司中风亚型的算法的基础上,栓塞的来源是心脏病人(16),大型船(4例),动脉解剖或程序的并发症(3例),和不明原因引起的(2例)。光学显微镜分析发现75%的血小板凝块与几个功能特性/纤维蛋白积累,线性中性粒细胞和单核细胞沉积,和erythrocyte-rich积累,虽然每个凝块整体表现出独特的组织学模式。作者认为后者发现随机混沌力量的剪切和湍流对网站的血栓形成,对抗传统的教条,缓慢流动导致心脏来源发展的“红色”(红细胞)血栓,而高流量血管形成“白色”纤维蛋白凝块。14此外,提取凝块可能没有充分代表的构成本地血栓,表明不同结构剩余材料在该船仍然影响。
血栓组织学没有与血栓栓塞闭塞的网站不同,尽管有相关性血栓大小和位置:大脑中动脉(MCA)血栓(最大宽度3毫米)是小于颈内动脉(ICA)血栓(最大宽度5毫米)。正如前面证明了溶栓疗法试验的MCA比ICA遮挡遮挡有较高的血管再通,血栓溶解的数量可能比其更关键结构成功的血管再生。15在这项研究中,血管闭塞的网站也没有与再灌注。TIMI 3流实现100%的ICA 12(12)和83%的MCA(十12)遮挡,表明导管的技术能力,消除血栓。
最后,没有血栓组织学和治疗反应之间的联系。有完整的血管再通动脉(TIMI 3)在32%的患者中,部分血管再通(TIMI 2)在56%,和灌注过去最初没有远端分支阻塞充填(TIMI 1) 12%。出现症状之间的间隔和程序启动血管再通率没有影响,TIMI 3(5.3小时),TIMI 2(7.6小时),TIMI 1(5.0小时)。这是推测,这可能是由于血栓阻塞动脉后很快被压缩。
早期迹象。
在更多的远端血管钙化的栓子出现在中风患者的CT扫描16;然而,钙化的组件和胆固醇晶体明显缺席的分析,可能是因为物理设备无法到达的远端皮质分支越多,这些类型的栓子小屋。二期试验对核磁共振的血栓fibrin-specific造影剂(ep - 2104 r, EPIX(他们刚刚与制药、列克星敦,MA)在10个病人显示改进的可视化在几个血管血栓增强地区从周围的血液和软组织。17相同的探针被证明是有效的对成像血栓和双峰的宠物老鼠英格尔磁共振(MR)。18血栓的选择性成像可能允许更精确的识别其组成评估血栓切除术后对血管再通的影响率。
高密度的大脑中动脉的标志(HMCAS)是大脑中动脉血栓的一个标志。19欧洲合作急性中风研究我(eca)的调查人员进行了二次分析620名患者接受静脉注射重组组织纤溶酶原激活物(rtPA)或安慰剂,发现HMCAS 107例(17.7%)。20.HMCAS与更严重的存在初始神经赤字和早期脑水肿(p< 0.0001)。更好的观察神经复苏HMCAS rtPA对待患者。然而,患者静脉溶栓的疗效有限HMCAS,脑血管造影术来评估治疗反应的经验显示,显示血管再通为近端大舰艇遮挡率仅为38%。21
放射的迹象可能允许扣除的凝块组成,以帮助确定第四rtPA nonresponders。血栓成分之间的关系和HMCAS头部CT或盛开的工件在MRI梯度回波扫描是在急性缺血性中风患者。22研究结果是基于MCA遮挡在50个病人头部成像其次是机械血栓切除术和后续检索血栓斑块组织病理学分析。20位患者的CT扫描显示HMCAS在50%的情况下,而MRI梯度回波序列执行32例显示工件盛开的大约53%。总的来说,检索到的纤维蛋白凝块是由61%,34%的红细胞(红血球),和4%的白细胞。红细胞表面纤维蛋白凝块之间的主要成分是44%,26%,和30%的混合。HMCAS更与RBC-dominant(100%)和混合(67%)比fibrin-dominant(20%)凝固组织病理学。类似的关系指出盛开的工件和病理性血栓的衬底:RBC-dominant, 100%;混合,63%;fibrin-dominant, 25%。然而,HMCAS和盛开的工件或血栓组织病理学并不是预测中风的严重程度或功能的结果。
扫描电子显微镜分析。
先前的研究使用光学显微镜和后续相关早期血管成像特点给重要的见解血栓性的组织学病变,12,22尽管他们有限无法分析血栓的超微结构。这个问题最近被解决通过扫描电子显微镜(SEM)分析血栓栓塞材料从大脑检索和急性缺血性中风患者的颈动脉。23
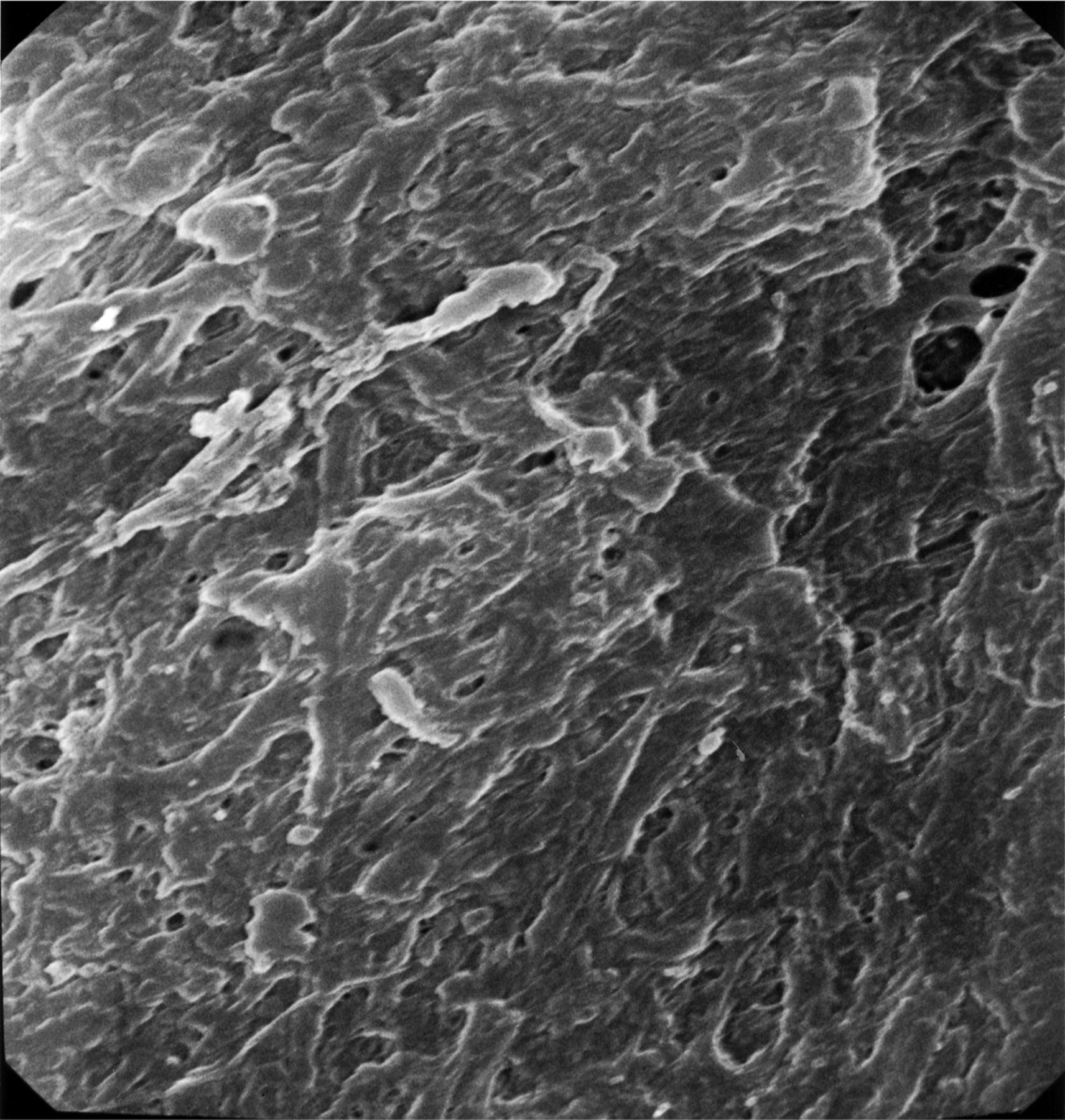
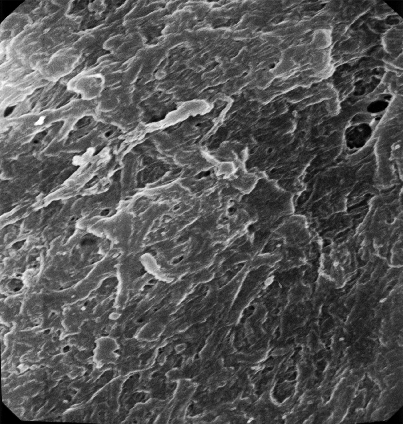
凝块被通过谢谢设备(n = 16), Accunet设备(n = 1),或直接与导游thrombo-aspiration导管阻塞网站(n = 1)。包括ICA(颈:n = 2;颅内:n = 7;两种:n = 1), MCA (n = 5)和基底动脉(n = 3)。宏观分析揭示了样本大小不同,形态和碎片。总值的光学显微镜标本显示特征暗示的一系列的流体动力学的力量可能是血栓。红色区域坐落在那里有可能低流或停滞或对血管壁的血栓,而白色区域有可能暴露在高剪切流(图1)。血栓性的组织元素,如纤维蛋白、血小板,红细胞,也不同在每个血栓和在各种血栓;因此,这些结果与早期的发现一致的组织学检查光学显微镜的凝块。12
这种血栓段特性相对光滑的表面形态。有强烈的白色和红色部分,表明暴露某些地区持续的高剪切流和其他地区停滞,分别。箭头表示位置的扫描电镜图片所示。
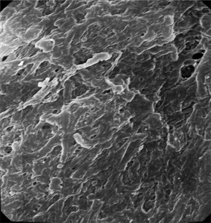
两个不同的结构模式与SEM可以认出:1)血栓展示先进成熟,所有的血栓性元素是如此密集集成单个实体没有清晰可辨的(图2),表明心脏稳定位置,持续暴露在剪切流;和2)血栓显示不同的纤维蛋白,红细胞被困,表明相对宽松的交联,一个活跃的地区特点的血栓仍在成熟的过程中,可能停滞的地区形成和再循环(图3)。这些模式被认为在不同比例在不同的患者。在某些情况下,可以联系具体的超微结构的研究结果推测病因的中风。值得注意的是这样一个广泛的血栓被恢复。
扫描电子显微镜图像3000×显示了一个紧密集成的血栓性组件的交联结构,即。,红色细胞、纤维蛋白和血小板,如此密集的个人实体不再明显,合并成一个坚固的结构。
体内实验动物研究
的一个主要限制在人类研究的复合材料潜在的致病相关血栓栓塞中风闭塞是事实,并不是所有的遮挡可以成功治疗机械血栓切除术。这样,很有可能,这些耐火凝块有不同组成比成功地检索到的凝块。更好地理解nonretrieved凝块将理论上的本质更重要的是,因为这些是我们目前不能充分的治疗。尽管自己的局限性,实验动物中风模型可以帮助克服这些障碍。
因为纤维蛋白的比例和红细胞内血栓栓塞材料可能发挥作用在水平的反应溶栓,rtPA检查在栓塞性中风的影响由于红(红细胞)或白色纤维蛋白凝块。24,25rtPA输液开始后30分钟MCA闭塞在23个兔子。有增强红凝块与白凝块溶解,造成的,只在中风梗塞体积减少红凝块(p< 0.01)。25这些发现,连同相关的最近的观察血栓与早期血管信号成分,提高预测的可能性pretherapeutic溶栓的效果,应该在将来的研究中评估。同样,IA溶栓与rtPA一小时后缺血性中风在鼠模型已经被证明可以促进更快速的再灌注,基于测量先生MCA遮挡,自发形成的凝块而不是thrombin-induced fibrin-rich凝块。26这种不同的反应可能归因于凝块之间的机械性能和分子组成的变化。
讨论
这里给出的评论表明凝块构成的合理性评价,关于组织学的研究提供重要的见解,成像方面,thromboemboli的超微结构,导致大多数急性缺血性中风。大量的凝块的组织学检查与光学显微镜使得小说的理解和治疗大舰艇缺血性中风的发病机理。的相关性血栓组织学与早期血管成像显示强大的早期血管信号之间的联系(HMCAS或者盛开的工件)和血栓主要是由红细胞表面,而没有这些成像发现可能表明fibrin-dominant血栓溶栓药物可能更耐火材料。SEM分析表明不同的超微结构的模式被公认和血栓造成脑血管阻塞内急性中风患者,和额外的分析正在进行中。虽然在这一点上没有足够的证据来正确引导的选择最合适的治疗策略的基础上血栓成分或中风发病机理,文中讨论的研究显得很有前途。增加知识血栓的性质,结合新兴体内动物实验的数据,有可能影响开发新的再灌注策略和指导今后的血管内治疗方法。
作者的贡献
梅塔博士:起草/修改手稿,分析和解释数据。Nogueira博士:起草/修改手稿,研究或设计概念,分析或解释的数据,采集的数据,研究监督。
信息披露
梅塔博士的报告没有披露。Nogueira博士曾在科学顾问委员会或数据安全监测委员会同心医疗、公司;ev3神经与血管的公司;Coaxia;NeuroInterventional疗法,Inc .);快速医疗;和反向医学;并执行血栓切除术对急性缺血性中风。去首页Neurology.org为充分披露。
- 收到了2011年6月28日。
- 接受2011年10月26日。
- 版权©2012年长企业公司,。
引用
- 1。↵
- 2。↵
美国心脏协会。心脏病和中风的事实2003年。可以在:www.americanheart.org/downloadable/heart/1056719919740HSFacts2003text.pdf。2005年7月29日访问。
- 3所示。↵
- 4所示。↵
- 5。↵
- 6。↵
- 7所示。↵
- 8。↵
- 9。↵
- 10。↵
- 11。↵
- 12。↵
- 13。↵
- 14。↵
- 15。↵
- 16。↵
- 17所示。↵
- 18岁。↵
- 19所示。↵
- 20.↵
- 21。↵
- 22。↵
- 23。↵
- NogueiraRG,
- Sukavaneshvar年代,
- RabinovJD,
- 等
- 24。↵
- 张成泽本土知识,
- 黄金香港,
- ZiskindAA,
- 等
- 25。↵
- 26岁。↵
信:快速的网络通信
你可能也会感兴趣
相关文章
-
没有找到相关文章。
主题讨论
提醒我
推荐的文章
- 周期性管理
急性缺血性中风的周期性管理干预尼古拉斯•Tarlov Yih林粘、奥萨马o . Zaidat et al。
首页神经学,2012年9月24日 - 观点和评论
血管再通之间的平衡策略助教Tomsick, p . Khatri Jovin et al。
首页神经学,2010年3月29日 - 培训、认证和实践标准
开发实践对血管内重建术对急性缺血性中风的建议马克·a·一员,罗伯塔l . Novakovic安德烈诉Alexandrov et al。
首页神经学,2012年9月24日 - 文章
比较反应血管内再灌注与动脉闭塞罗宾Lemmens迈克尔·Mlynash Matus Straka et al。
首页神经学,2013年7月12日


